欢迎访问金永网,建筑施工,建筑材料,机械设备综合信息平台

白灰竖窑褂帮是石灰生产中的一个专业术语。它指的是在竖窑煅烧石灰石的过程中,窑壁内侧附着并堆积了一层过厚的、未完全煅烧或粘结的混合物料(通常是石灰石、生烧石灰、过烧石灰和杂质的混合物)。
[2025-11-25]

石灰窑内部的气体流动状态对煅烧过程的稳定性和效率具有决定性影响。负压环境是保证窑炉安全运行、提高产品质量的关键因素之一。窑内负压的形成并非单一设备作用的结果,而是多种系统协同运作产生的综合效应。
[2025-11-25]


工业窑炉作为冶金、建材、陶瓷等高耗能行业的核心热工装备,其能源消耗与碳排放强度已成为制约工业领域低碳发展的关键环节。在碳中和碳达峰的宏观背景下,推动窑炉技术向清洁、高效、低碳方向系统性革新,不仅是应对气候挑战的必然要求,更是提升产业竞争力的内在需求。
[2025-11-25]

NE板链式提升机作为一种常见的物料提升设备,广泛应用于冶金、煤矿、化肥、建筑、化工等行业,特别适用于垂直运输大块、粒度较大的物料。物料的容量和粒度要求直接影响提升机的设计与运行效率,
[2025-11-25]

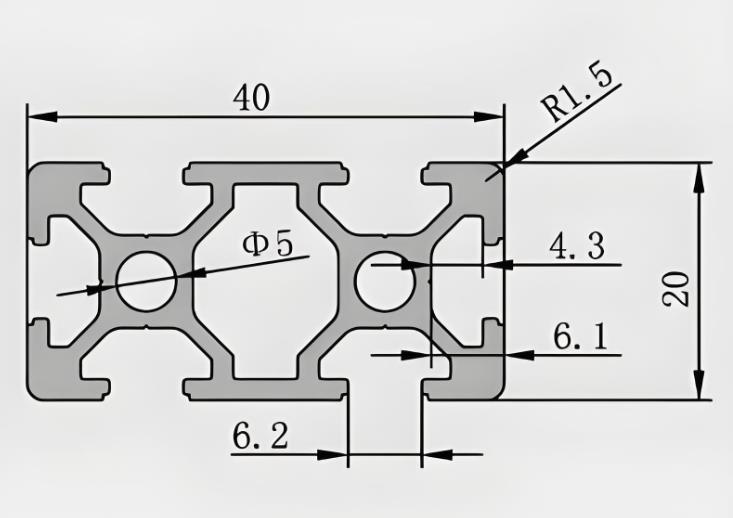
2040铝型材作为工业铝型材系列中的基础规格,其截面尺寸标准图是指导设计、制造与装配的核心技术文件。该图纸通过精确的几何标注与公差配合,定义了型材外部轮廓、沟槽、孔位等关键特征的允许变动范围。
[2025-11-25]

冬季施工条件较为恶劣,气温骤降、风力较大,且部分材料的物理性能在低温环境下会发生变化,这使得施工现场的安全性和施工质量成为施工单位的重要关注点。
[2025-11-25]

在农业生产中,石灰作为一种传统的消毒剂和土壤改良剂被广泛使用。然而,生石灰与熟石灰在化学本质、作用机理及实际应用上存在显著差异,明确区分二者对科学施用至关重要。
[2025-11-25]

铝矾土煅烧是制备高温耐火材料、氧化铝及铝基化学品的关键前处理工序。回转窑作为核心煅烧设备,其运行状态与工艺控制水平直接决定了最终产品的化学纯度、相组成、体积密度与活性。提升产品质量需从窑系统热工制度、物料运动特性、传热传质效率及过程稳定性等多维度进行精细化调控。
[2025-11-25]

石灰窑设备的选型直接关系到生产线的运行效率、产品质量和长期经济效益。许多企业在采购过程中由于缺乏系统性评估,容易陷入技术或商业陷阱,导致投资失误。这些隐患往往在设备投产后才逐渐暴露,但纠正成本已极为高昂。
[2025-11-25]